
Product Description
Features
Easily mount on table, fixture, or indexer.
Made of high quality steel.
Hardened and ground.
Lathe chuck wrench supplied.
SQUARE & PARALLEL .0002"
Front mount chucks are designed to be used with rotary tables and other devices where back mounting chucks can not be used.
TOP JAWS REVERSIBLE
Product Specifications
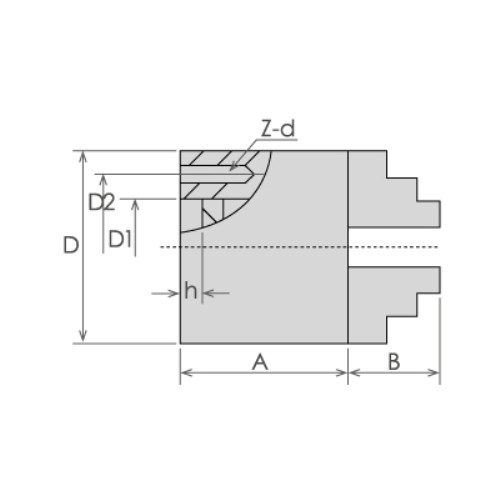
Chuck Size D 12"
D2 11.26
(Inch) D1 10.24
H 3.86
Center Hole 3.937
Z-d 3-M16
Max. RPM 1200
T.I.R. .005
Easily mount on table, fixture, or indexer.
Made of high quality steel.
Hardened and ground.
Lathe chuck wrench supplied.
SQUARE & PARALLEL .0002"
Front mount chucks are designed to be used with rotary tables and other devices where back mounting chucks can not be used.
TOP JAWS REVERSIBLE
Product Specifications
Chuck Size D 12"
D2 11.26
(Inch) D1 10.24
H 3.86
Center Hole 3.937
Z-d 3-M16
Max. RPM 1200
T.I.R. .005

