Product Description
OEM-level quality ensures optimal performance
Made from ductile iron for superior vibration damping and improved cutting performance
100% made-in-USA
For 1” diameter round tooling
Parlec BMT65 tool holders match popular machine OEM specifications to ensure seamless integration into your production.
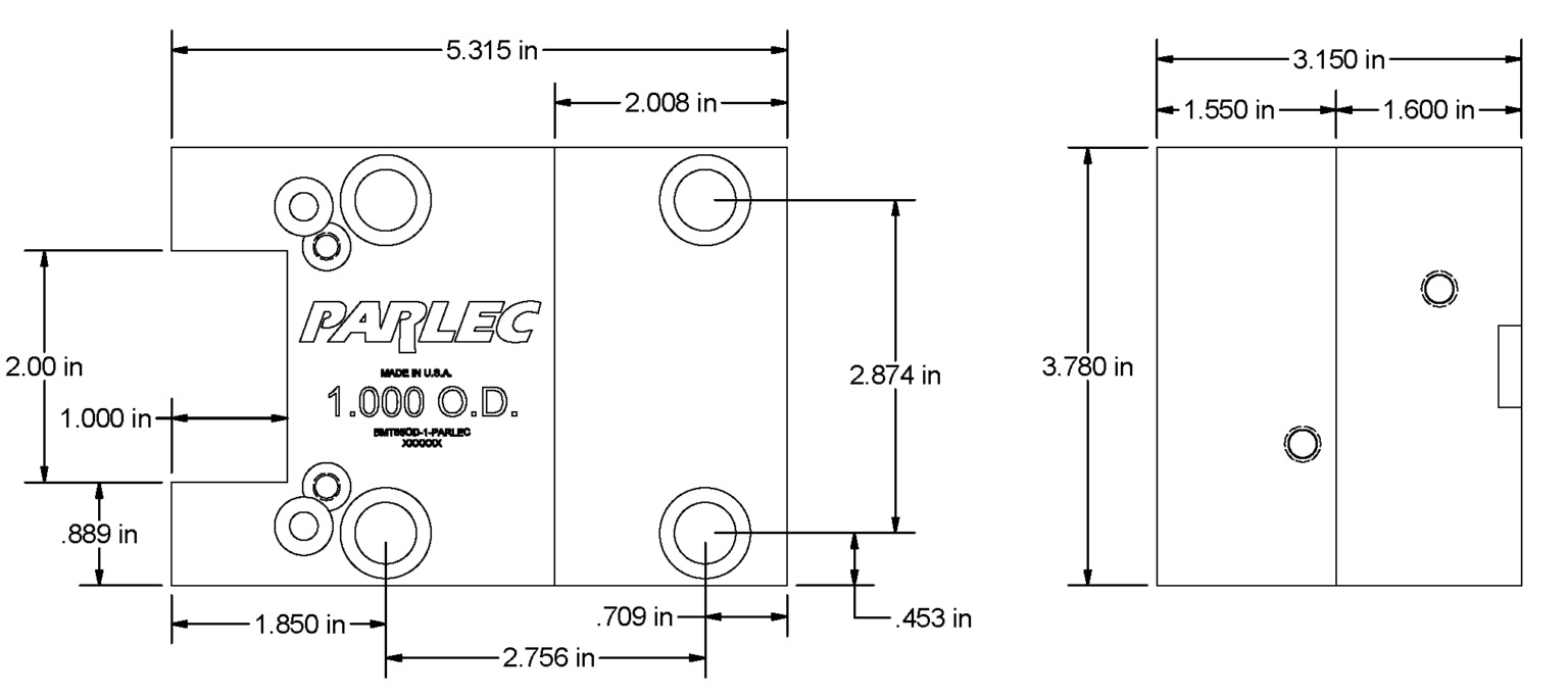
Our BMT65 tool holders have a 70mm x 73mm bolt hole mounting pattern and feature three drive keys on the bottom to ensure perfect alignment without needing to make adjustments.
Made from ductile iron for superior vibration damping and improved cutting performance
100% made-in-USA
For 1” diameter round tooling
Parlec BMT65 tool holders match popular machine OEM specifications to ensure seamless integration into your production.
Our BMT65 tool holders have a 70mm x 73mm bolt hole mounting pattern and feature three drive keys on the bottom to ensure perfect alignment without needing to make adjustments.

